Описание
Характеристики
Отзывы
Описание
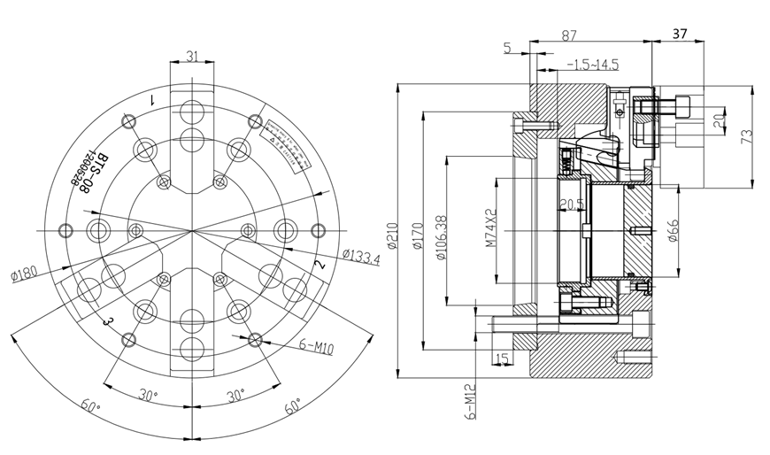
Токарный патрон BTS-08A6 NTH при демонтаже 1 кулачка может быть полноценным 2-кулачковым патроном и 3 кулачковым патроном, что очень удобно сказывается на его универсальной функциональности.
1. В одном и том же патроне можно использовать функции 2-х и 3-х зажимного патрона.
2. НЕТ необходимости менять патрон, просто демонтируйте или установите 1 зажимной кулачек в зависимости от ваших задач по обработке заготовки.
3. Все скользящие поверхности патрона закалены и отшлифованы для повышения точности вращения и срока службы.
Характеристики
Бренд
NTH
Отзывы
Отзывов еще никто не оставлял
Сопутствующие товары
